AR-YCSM31-N2
Доступен для скачивания
краткий каталог продукции:
Клапан соленоидный миниатюрный нормально закрытый прямого действия с поршнем, для пара AR-YCSM31-N2 предназначен для управления потоком рабочей среды в трубопроводе
Особенности:
Особенности:
- Универсальный клапан на наибольшее количество сред
- Возможность срабатывания при нулевом давлении
- Компактный размер
Для герметизации резьбовых металлических соединений рекомендуется использование анаэробных герметиков
Для защиты клапана от попадания инородных частиц необходима установка фильтра механической очистки перед входным отверстием соленоидного клапана
Принцип действия и область применения: Нормально закрытый соленоидный клапан – это магнитный клапан, в котором закрытое положение сохраняется, если управляющее напряжение на его индукционную катушку не подается. При подаче напряжения на катушку нормально закрытый клапан открывается и пропускает через себя поток рабочей среды. При отключении управляющего напряжения этот клапан автоматически закрывается и перекрывает поток рабочей среды в трубопроводе. При обрыве провода управляющего напряжения клапан будет закрыт.
В большинстве случаев подходит для эксплуатации в системах водоснабжения, теплоснабжения, вентиляции и пневмоуправления. Особенно актуально применение данного типа клапана, когда клапан должен быть закрыт большую часть времени либо когда он обязательно должен быть закрыт при отключении электропитания системы
Технические характеристики:
В большинстве случаев подходит для эксплуатации в системах водоснабжения, теплоснабжения, вентиляции и пневмоуправления. Особенно актуально применение данного типа клапана, когда клапан должен быть закрыт большую часть времени либо когда он обязательно должен быть закрыт при отключении электропитания системы
| Параметр
| Значение
| |
| Рабочая среда | Пар, вода, горячая вода, воздух, инертные газы, спирт | |
| Материал корпуса и уплотнения
| Нержавеющая сталь с PTFE | |
| Температура рабочей среды | −20...+180°С | |
| Рабочее давление | 0...0,3 МПа | |
| Диаметр условного прохода | 5 мм | |
| Присоединение | Резьбовое G⅜" | |
| Питание | ~380 В, ~220 В, ~110 В, ~36 В, ~24 В, =24 В, =12 В, =6 В | |
| Катушка | Мощность
| AC
| DC
| |||||||
| ~380 В | ~220 В
| ~110 В | ~36 В | ~24 В | =24 В
| =12 В
| =6 В | |||
| S91H
IP54 | 10 ВА
| V |
|
| V |
|
|
|
| |
| 20 ВА |
| V | V |
| V |
|
|
| ||
| 14 Вт |
|
|
|
|
| V | V | V | ||
| ASEx543*
IP65 | 23 ВА
|
| V
| V
|
| V
|
|
|
| |
| 13 Вт
|
|
|
|
|
| V
| V
|
| ||
| ASE11H**
IP65 | 4,5 ВА |
| V | V
|
|
|
|
|
| |
| 8 Вт |
|
|
|
|
| V
| V |
| ||
* Взрывозащищенная катушка
** Использование энергосберегающей катушки ASE11H позволяет снизить температуру нагрева катушки и тем самым продлить срок ее службы в несколько раз
| Обозначение | Ду, мм | Kv, м³/ч
| Присоединение | Pmin, МПа | Pmax, МПа | Вес, г |
| AR-YCSM31-N2-5-3/8-GSP | 5,0 | 0,61 | ⅜" | 0,0 | 0,3 | 405 |
Расшифровка обозначения на примере клапана AR-YCSM31-N2-5-3/8-XYZ:
AR-YCSM31-N2 – модель клапана;
5 – диаметр условного прохода, в мм;
3/8 – размер резьбы, в дюймах;
X – присоединение: G – трубная резьба.
Y – материал корпуса: S – нержавеющая сталь.
Z – материал уплотнения: P – PTFE.
AR-YCSM31-N2 – модель клапана;
5 – диаметр условного прохода, в мм;
3/8 – размер резьбы, в дюймах;
X – присоединение: G – трубная резьба.
Y – материал корпуса: S – нержавеющая сталь.
Z – материал уплотнения: P – PTFE.
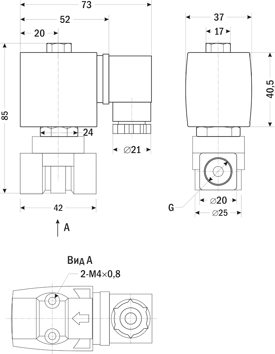
| Габаритные размеры |
![]() |
Версия: 2025-10-29-СДГ
| Документ | Дата обновления |
| Паспорт на AR-YCSM31-N2 | 03.10.2025 |
