AR-YCP11
Доступен для скачивания
краткий каталог продукции:
Клапан соленоидный нормально закрытый непрямого действия с поршнем AR-YCP11 предназначен для управления потоком рабочей среды в трубопроводе Особенности:
*Использование энергосберегающей катушки ASE11H позволяет снизить температуру нагрева катушки и тем самым продлить срок ее службы в несколько раз.
**Взрывозащищенная катушка.
Модификации:
Расшифровка обозначения на примере клапана AR-YCP11-12-3/8-XYZ:
AR-YCP11 – модель клапана.
12 – диаметр условного прохода в мм.
3/8 – размер резьбы в дюймах.
X – присоединение: G – трубная резьба.
Y – материал корпуса: S – нержавеющая сталь.
Z – материал уплотнения: P – PTFE.
Версия: 2025-10-29-СДГ
- Пониженное энергопотребление
- Долгий срок службы уплотнителя в среде пара
- Конструкция предусматривает долгосрочную эксплуатацию в системе паротрубопроводов
- Защита трубопровода от гидравлических ударов благодаря специальной конструкции клапана
- Работа при высоком давлении до 1,6 МПа
Для герметизации резьбовых металлических соединений рекомендуется использование анаэробных герметиков
Для защиты клапана от попадания инородных частиц необходима установка фильтра механической очистки перед входным отверстием соленоидного клапана
Принцип действия и область применения: Нормально закрытый соленоидный клапан – это магнитный клапан, в котором закрытое положение сохраняется, если управляющее напряжение на его индукционную катушку не подается. При подаче напряжения на катушку нормально закрытый клапан открывается и пропускает через себя поток рабочей среды. При отключении управляющего напряжения этот клапан автоматически закрывается и перекрывает поток рабочей среды в трубопроводе. При обрыве провода управляющего напряжения клапан будет закрыт.
В большинстве случаев подходит для эксплуатации в системах водоснабжения, теплоснабжения, вентиляции и пневмоуправления. Особенно актуально применение данного типа клапана, когда клапан должен быть закрыт большую часть времени либо когда он обязательно должен быть закрыт при отключении электропитания системы.
Технические характеристики:
В большинстве случаев подходит для эксплуатации в системах водоснабжения, теплоснабжения, вентиляции и пневмоуправления. Особенно актуально применение данного типа клапана, когда клапан должен быть закрыт большую часть времени либо когда он обязательно должен быть закрыт при отключении электропитания системы.
| Параметр
| Значение
|
| Рабочая среда | Пар, вода, горячая вода, масла, воздух, инертные газы, аммиак |
| Материал | Корпуса: нержавеющая сталь
Уплотнения: PTFE |
| Температура рабочей среды | −20...+180°С |
| Температура окружающей среды | −30…+50°С |
| Рабочее давление | 0,03…1,6 MПa |
| Диаметр условного прохода | 12...25 мм |
| Присоединение | Резьбовое G⅜"...G2"
|
| Питание | ~380 В,~220 В, ~110 В, ~36 В,~24 В,
=24 В, =12 В, =6 В |
| Катушка
|
Мощность
| AC
| DC
| ||||||
| ~380 В | ~220 В
| ~110 В | ~36 В | ~24 В | =24 В
| =12 В
| =6 В | ||
| S91H
IP54 | 10 ВА | V |
|
| V |
|
|
|
|
| 20 ВА | V | V | V |
|
|
| |||
| 14 Вт | V | V | V | ||||||
| ASE11H*
IP65 | 4,5 ВА | V
|
|
|
|
| |||
| 8 Вт |
|
|
| V | V | ||||
| ASEx543**
IP65 | 23 ВА | V | V | V |
|
| |||
| 13 Вт |
|
|
| V | V | ||||
**Взрывозащищенная катушка.
Модификации:
| Модель
| Ду, мм | Kv, м³/ч
| Присоединение
| Pmin , МПа | Pmax , МПа
| Вес, г
|
| AR-YCP11-12-3/8-GSP
| 12
| 3,8
| ⅜"
| 0,03
| 1,6
| 730
|
| AR-YCP11-15-1/2-GSP | 15 | ½" | 680
| |||
| AR-YCP11-20-3/4-GSP | 20 | 8 | ¾" | 890
| ||
| AR-YCP11-25-1-GSP | 25
| 10,2 | 1" | 1280 |
AR-YCP11 – модель клапана.
12 – диаметр условного прохода в мм.
3/8 – размер резьбы в дюймах.
X – присоединение: G – трубная резьба.
Y – материал корпуса: S – нержавеющая сталь.
Z – материал уплотнения: P – PTFE.
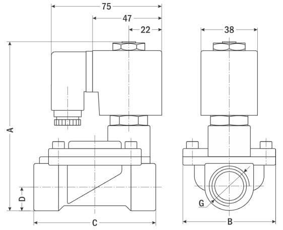
| Габаритные размеры |
|
| Размер, мм
| AR-YCP11-12 | AR-YCP11-15 | AR-YCP11-20 | AR-YCP11-25 |
| A
| 106
| 106
| 117
| 128
|
| B | 48
| 48
| 60
| 72
|
| C | 73
| 75
| 83
| 100
|
| D
| 13,5
| 13,5 | 16,5 | 20 |
| G | ⅜"
| ½" | ¾" | 1" |
Версия: 2025-10-29-СДГ
| Документ | Дата обновления |
| Паспорт на YCP11 | 07.03.2025 |