AR-YCDF2
Доступен для скачивания
краткий каталог продукции:
Клапан соленоидный нормально закрытый непрямого действия с поршнем AR-YCDF2 для использования под водой. Предназначен для управления потоком рабочей среды в трубопроводе.
Особенности:
Модификации:
Расшифровка обозначения на примере клапана AR-YCDF2-65F-2.1/2-XYZ:
AR-YCDF2 – модель клапана.
65F – диаметр условного прохода в мм.
2.1/2 – размер резьбы в дюймах.
X – присоединение: F – фланцевое.
Y – материал корпуса: S – нержавеющая сталь.
Z – материал уплотнения: V – VITON.
Версия: 2025-10-29-СДГ
Особенности:
- Клапан предназначен для использования под водой
- Применяется для фонтанов
- Глубина погружения до 1 метра
- Степень пылевлагозащиты IP68
Для защиты клапана от попадания инородных частиц необходима установка фильтра механической очистки перед входным отверстием соленоидного клапана
Принцип действия и область применения:
Технические характеристики:
Нормально закрытый соленоидный клапан – это магнитный клапан, в котором закрытое положение сохраняется, если управляющее напряжение на его индукционную катушку не подается. При подаче напряжения на катушку нормально закрытый клапан открывается и пропускает через себя поток рабочей среды. При отключении управляющего напряжения этот клапан автоматически закрывается и перекрывает поток рабочей среды в трубопроводе. При обрыве провода управляющего напряжения клапан будет закрыт.
В большинстве случаев подходит для эксплуатации в системах водоснабжения, теплоснабжения, вентиляции и пневмоуправления. Особенно актуально применение данного типа клапана, когда клапан должен быть закрыт большую часть времени либо когда он обязательно должен быть закрыт при отключении электропитания системы.
В большинстве случаев подходит для эксплуатации в системах водоснабжения, теплоснабжения, вентиляции и пневмоуправления. Особенно актуально применение данного типа клапана, когда клапан должен быть закрыт большую часть времени либо когда он обязательно должен быть закрыт при отключении электропитания системы.
| Параметр
| Значение
| |
| Рабочая среда | Вода, горячая вода | |
| Материал | Корпуса | Нержавеющая сталь
|
| Уплотнения | VITON | |
| Температура рабочей среды | −10...+120°С | |
| Рабочее давление | 0,05...2,5 МПа | |
| Диаметр условного прохода | 65...100 мм | |
| Присоединение | Фланцевое F2½"...F4" | |
| Катушка | F24B; IP68
Выводные провода 95 см | |
| Питание | ~220 В, ~24 В, =24 В, =12 В | |
| Мощность
| 24 ВА (AC), 15 Вт (DC) | |
| Модель | Ду, мм | Kv, м³/ч
| Присоединение | Pmin , МПа | Pmax , МПа | Вес, г
|
| AR-YCDF2-65F-2.1/2-FSV
| 65
| 72,5
| F2½"
| 0,05
| 2,5
| 22 100
|
| AR-YCDF2-80F-3-FSV
| 80
| 106,6
| F3"
| 31 500
| ||
| AR-YCDF2-100F-4-FSV
| 100
| 136,5
| F4"
| 42 400
|
AR-YCDF2 – модель клапана.
65F – диаметр условного прохода в мм.
2.1/2 – размер резьбы в дюймах.
X – присоединение: F – фланцевое.
Y – материал корпуса: S – нержавеющая сталь.
Z – материал уплотнения: V – VITON.
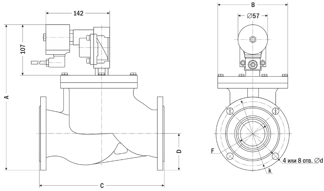
| Габаритные размеры |
|
| Размер, мм
| AR-YCDF2-65F
|
| A | 332
|
| B
| 180
|
| C
| 282
|
| D
| 95
|
| F
| 2½"
|
| d | 18
|
| k
| 145
|
| Кол-во отверстий
| 4
|
Версия: 2025-10-29-СДГ
| Документ | Дата обновления |
| Паспорт на AR-YCDF2 | 02.07.2025 |