AR-SB116-5
Доступен для скачивания
краткий каталог продукции:
Клапан соленоидный нормально закрытый непрямого действия с поршнем AR-SB116-5 предназначен для управления потоком рабочей среды в трубопроводе
Особенности:
*Использование энергосберегающей катушки ASE11H позволяет снизить температуру нагрева катушки и тем самым продлить срок ее службы в несколько раз.
Модификации:
Расшифровка обозначения на примере клапана AR-SB116-5015-15/13-1/2-XYZ:
AR-SB116-5015 – модель клапана.
15 – диаметр условного прохода в мм.
13 – эффективный диаметр в мм, если Дэф<Ду.
1/2 – размер резьбы в дюймах.
X – присоединение: G – трубная резьба.
Y – материал корпуса: B – латунь.
Z – материал уплотнения: P – PTFE.
Версия: 2025-10-29-СДГ
Особенности:
- Работа при высоком давлении до 4 МПа
- Высокая частота срабатывания: до 60 циклов открытия/закрытия в минуту
- Использование для природного газа
Для герметизации резьбовых металлических соединений рекомендуется использование анаэробных герметиков
Для защиты клапана от попадания инородных частиц необходима установка фильтра механической очистки перед входным отверстием соленоидного клапана
Принцип действия и область применения:
Технические характеристики:
Нормально закрытый соленоидный клапан – это магнитный клапан, в котором закрытое положение сохраняется, если управляющее напряжение на его индукционную катушку не подается. При подаче напряжения на катушку нормально закрытый клапан открывается и пропускает через себя поток рабочей среды. При отключении управляющего напряжения этот клапан автоматически закрывается и перекрывает поток рабочей среды в трубопроводе. При обрыве провода управляющего напряжения клапан будет закрыт.
В большинстве случаев подходит для эксплуатации в системах водоснабжения, теплоснабжения, вентиляции и пневмоуправления. Особенно актуально применение данного типа клапана, когда клапан должен быть закрыт большую часть времени либо когда он обязательно должен быть закрыт при отключении электропитания системы.
В большинстве случаев подходит для эксплуатации в системах водоснабжения, теплоснабжения, вентиляции и пневмоуправления. Особенно актуально применение данного типа клапана, когда клапан должен быть закрыт большую часть времени либо когда он обязательно должен быть закрыт при отключении электропитания системы.
| Параметр
| Значение
| |
| Рабочая среда | Вода, горячая вода, бытовой и природный газ, ацетилен, нефтяной газ | |
| Материал | Корпуса | Латунь
|
| Уплотнения | PTFE | |
| Температура рабочей среды | 0…+120°С
| |
| Рабочее давление | 0,1...4,0 MПa | |
| Диаметр условного прохода | 15 мм, 20 мм
| |
| Присоединение | Резьбовое G½", G¾"
| |
| Питание | ~380 В,~220 В, ~110 В, ~36 В, ~24 В, =24 В, =12 В, =6 В
| |
| Катушка
|
Мощность
| AC
| DC
| ||||||
| ~380 В | ~220 В
| ~110 В | ~36 В | ~24 В | =24 В
| =12 В
| =6 В | ||
| S91H
IP54 | 10 ВА | V |
|
| V |
|
|
|
|
| 20 ВА |
| V | V |
| V |
|
|
| |
| 14 Вт |
|
|
|
|
| V | V | V | |
| ASE11H*
IP65 | 4,5 ВА |
| V
|
|
|
|
|
|
|
| 8 Вт |
|
|
|
|
| V | V |
| |
| Модель | Ду, мм | Дэф,
мм | Kv, м³/ч
| Присоединение | Pmin, МПа | Pmax, МПа | Вес, г
|
| AR-SB116-5015-15/13-1/2-GBP
| 15
| 13
| 2,5
| ½" | 0,1 | 4,0 | 760
|
| AR-SB116-5020-20-3/4-GBP
| 20
| 20
| 5
| ¾" | 0,1 | 4,0 | 1240
|
AR-SB116-5015 – модель клапана.
15 – диаметр условного прохода в мм.
13 – эффективный диаметр в мм, если Дэф<Ду.
1/2 – размер резьбы в дюймах.
X – присоединение: G – трубная резьба.
Y – материал корпуса: B – латунь.
Z – материал уплотнения: P – PTFE.
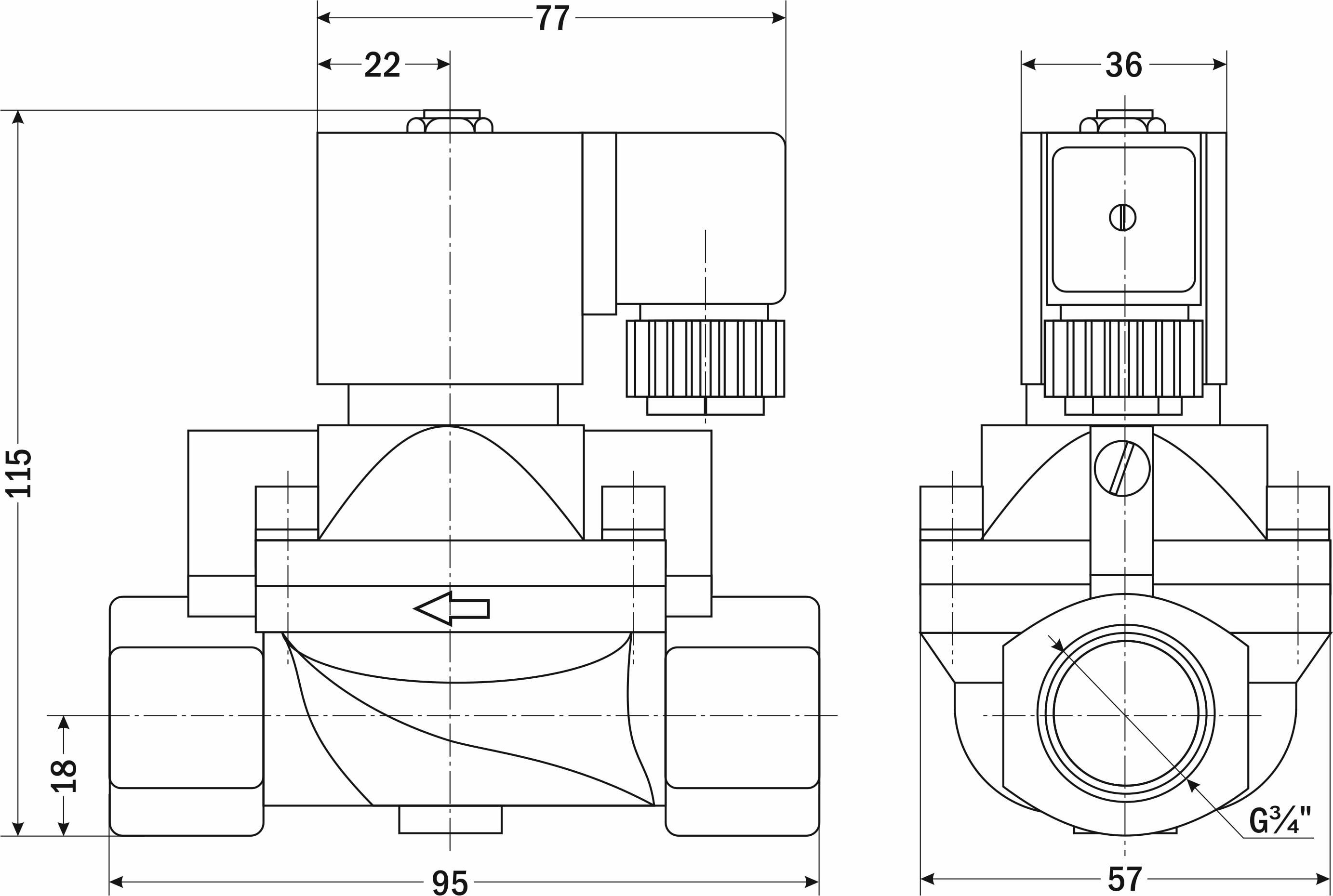
| Габаритные размеры
|
|
| AR-SB116-5015 |
![]() |
| AR-SB116-5020 |
Версия: 2025-10-29-СДГ
| Документ | Дата обновления |
| Паспорт на SB116-5 | 07.03.2025 |
