AR-YCPS31F
Доступен для скачивания
краткий каталог продукции:
Клапан соленоидный нормально закрытый фланцевый прямого действия с поршнем AR-YCPS31F предназначен для управления потоком рабочей среды в трубопроводе
Особенности:
Особенности:
- Долгий срок службы уплотнителя в среде пара
- Конструкция предусматривает долгосрочную эксплуатацию в системе паротрубопроводов
- Срабатывание при нулевом давлении
Для защиты клапана от попадания инородных частиц необходима установка фильтра механической очистки перед входным отверстием соленоидного клапана
Принцип действия и область применения:
Нормально закрытый соленоидный клапан – это магнитный клапан, в котором закрытое положение сохраняется, если управляющее напряжение на его индукционную катушку не подается. При подаче напряжения на катушку нормально закрытый клапан открывается и пропускает через себя поток рабочей среды. При отключении управляющего напряжения этот клапан автоматически закрывается и перекрывает поток рабочей среды в трубопроводе. При обрыве провода управляющего напряжения клапан будет закрыт.
В большинстве случаев подходит для эксплуатации в системах водоснабжения, теплоснабжения, вентиляции и пневмоуправления. Особенно актуально применение данного типа клапана, когда клапан должен быть закрыт большую часть времени либо когда он обязательно должен быть закрыт при отключении электропитания системы.
В большинстве случаев подходит для эксплуатации в системах водоснабжения, теплоснабжения, вентиляции и пневмоуправления. Особенно актуально применение данного типа клапана, когда клапан должен быть закрыт большую часть времени либо когда он обязательно должен быть закрыт при отключении электропитания системы.
| Параметр
| Значение
| |
| Рабочая среда | Пар, вода, горячая вода, масла, спирт | |
| Материал | Корпуса | Нержавеющая сталь
|
| Уплотнения | PTFE | |
| Температура рабочей среды | −20…+180°С
| |
| Температура окружающей среды | −30…+50°С | |
| Рабочее давление | 0...1 МПа | |
| Диаметр условного прохода | 25...50 мм | |
| Присоединение | Фланцевое F1"...F2" | |
| Питание | ~220 B, ~110 B, ~24 B, =24 B, =12 B
| |
| Ду,
мм
| Катушка
|
Мощность
| AC
| DC
| |||
| ~220 В
| ~110 В | ~24 В | =24 В
| =12 В
| |||
|
25 | S21H
IP65 | 22 ВА | V
| V
| V
|
|
|
| 15 Вт |
|
|
| V
| V
| ||
| ASE21H*
IP65 | 5,5 ВА | V
|
|
|
|
| |
| 10 Вт |
|
|
| V | V | ||
| ASEx1320**
IP65 | 28 ВА | V |
|
|
|
| |
| 20 Вт |
|
|
| V | V | ||
| ASEx282**
IP65 | 24 ВА | V | V | V | |||
| 17 Вт | V | V | |||||
|
32...50 | SD11H,
IP65 | 44 ВА
| V
|
|
|
|
|
| 33 Вт
|
|
|
| V
|
| ||
| SD01H
IP65 | 35 ВА
| V
| V
| V
|
|
| |
| 30 Вт
|
|
|
| V
| V
| ||
|
ASEx545** IP65 | 50 ВА | V | V | V | |||
| 18 Вт | V | ||||||
| 23 Вт | V | ||||||
**Взрывозащищенная катушка.
Модификации:
| Модель | Ду, мм | Kv, м³/ч
| Присоединение | Pmin, МПа | Pmax, МПа | Вес, г
|
| AR-YCPS31-25F-1- FSP
| 25
| 10
| F1" | 0
| 1
| 3500
|
| AR-YCPS31-32F-1.1/4- FSP | 32
| 20
| F1¼" | 6300
| ||
| AR-YCPS31-40F-1.1/2- FSP | 40
| 25
| F1½" | 6400
| ||
| AR-YCPS31-50F-2- FSP | 50
| 41
| F2"
| 7600
|
AR-YCPS31 – модель клапана.
25F – диаметр условного прохода в мм.
1 - размер резьбы в дюймах.
X – присоединение: F – фланцевое.
Y – материал корпуса: S – нержавеющая сталь.
Z – материал уплотнения: P – PTFE.
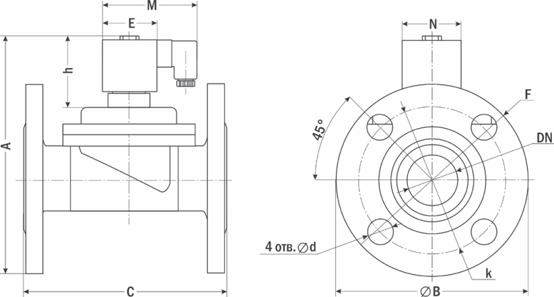
| Габаритные размеры |
|
| Размер, мм
| YCPS31-25F | YCPS31-32F | YCPS31-40F | YCPS31-50F |
| DN
| 25
| 32
| 40
| 50
|
| A | 155 | 205 | 215 | 230 |
| ∅B
| 110 | 129
| 150
| 157
|
| C
| 125 | 152
| 159
| 184
|
| ∅d | 13,5 | 18 | 18 | 18 |
| E | 47 | 75 | 75 | 75 |
| F
| 1" | 1¼" | 1½" | 2" |
| h | 62 | 98
| 90 | 90 |
| k | 86 | 100 | 92 | 107 |
| M
| 76
| 102
| 104
| 102
|
| N
| 39
| 56
| 56
| 56
|
Версия: 2025-10-29-СДГ
| Документ | Дата обновления |
| Паспорт на YCPS31F | 07.03.2025 |