AR-YCP31F
Доступен для скачивания
краткий каталог продукции:
Клапан соленоидный фланцевый нормально закрытый непрямого действия с поршнем, для пара AR-YCP31F предназначен для управления потоком рабочей среды в трубопроводе
Особенности:
Модификации:
Расшифровка обозначения на примере клапана AR-YCP31-25F-1-XYZ:
AR-YCP31 – модель клапана.
25F – диаметр условного прохода в мм.
1 – размер резьбы в дюймах.
X – присоединение: F – фланцевое.
Y – материал корпуса: S – нержавеющая сталь.
Z – материал уплотнения: P – PTFE.
Версия: 2025-10-29-СДГ
Особенности:
- Долгий срок службы уплотнителя в среде пара
- Защита трубопровода от гидравлических ударов благодаря специальной конструкции клапана
- Работа при высоком давлении до 1,6 МПа
Для защиты клапана от попадания инородных частиц необходима установка фильтра механической очистки перед входным отверстием соленоидного клапана
Принцип действия и область применения:
Технические характеристики:
Нормально закрытый соленоидный клапан – это магнитный клапан, в котором закрытое положение сохраняется, если управляющее напряжение на его индукционную катушку не подается. При подаче напряжения на катушку нормально закрытый клапан открывается и пропускает через себя поток рабочей среды. При отключении управляющего напряжения этот клапан автоматически закрывается и перекрывает поток рабочей среды в трубопроводе. При обрыве провода управляющего напряжения клапан будет закрыт.
В большинстве случаев подходит для эксплуатации в системах водоснабжения, теплоснабжения, вентиляции и пневмоуправления. Особенно актуально применение данного типа клапана, когда клапан должен быть закрыт большую часть времени либо когда он обязательно должен быть закрыт при отключении электропитания системы.
В большинстве случаев подходит для эксплуатации в системах водоснабжения, теплоснабжения, вентиляции и пневмоуправления. Особенно актуально применение данного типа клапана, когда клапан должен быть закрыт большую часть времени либо когда он обязательно должен быть закрыт при отключении электропитания системы.
| Параметр
| Значение
| |
| Рабочая среда | Пар, вода, горячая вода | |
| Материал | Корпуса | Нержавеющая сталь
|
| Уплотнения | PTFE | |
| Температура рабочей среды | −20…+180°С
| |
| Температура окружающей среды | −30…+50°С | |
| Рабочее давление | 0,05...1,6 МПа | |
| Диаметр условного прохода | 25...150 мм | |
| Присоединение | Фланцевое F1"...F6" | |
| Питание | ~220 В, ~110 В, ~24 В
=24 В, =12 В | |
| Катушка
|
Мощность
| AC
| DC
| |||
| ~220 В
| ~110 В | ~24 В | =24 В
| =12 В
| ||
| Для Ду=25...50 мм
| ||||||
| S21H
IP65 | 22 ВА | V
| V
| V
|
|
|
| 15 Вт |
|
|
| V
| V
| |
| ASEx282*
IP65 | 24 ВА | V
| V | V |
|
|
| 17 Вт |
|
|
| V | V | |
| ASEx1320*
IP65 | 28 ВА | V |
|
|
|
|
| 20 Вт |
|
|
| V | V | |
| ASE21H**
IP65 | 5,5 ВА | V |
|
|
|
|
| 10 Вт |
|
|
| V | V | |
| Для Ду=65...150 мм
| ||||||
| YG1B
IP54 | 30 ВА | V | V | V | ||
| 21 Вт | V | V | ||||
*Взрывозащищенная катушка.
**Использование энергосберегающей катушки ASE11H позволяет снизить температуру нагрева катушки и тем самым продлить срок ее службы в несколько раз.
Модификации:
| Модель | Ду, мм | Kv, м³/ч
| Присоединение | Pmin, МПа | Pmax, МПа | Вес, г
|
| AR-YCP31-25F-1-FSP
| 25
| 10 | F1"
| 0,05
| 1,6
| 3300
|
| AR-YCP31-32F-1.1/4-FSP
| 32
| 20
| F1¼" | 4800
| ||
| AR-YCP31-40F-1.1/2-FSP
| 40
| 25
| F1½" | 6200
| ||
| AR-YCP31-50F-2-FSP
| 50 | 41 | F2" | 8100
| ||
| AR-YCP31-65F-2.1/2-FSP | 65
| 73
| F2½" | 23 100
| ||
| AR-YCP31-80F-3-FSP
| 80
| 107
| F3" | 32 500
| ||
| AR-YCP31-100F-4-FSP
| 100
| 136
| F4" | 43 400
| ||
| AR-YCP31-125F-5-FSP
| 125
| 171
| F5" | 55 500
| ||
| AR-YCP31-150F-6-FSP
| 150
| 273
| F6" | 85 000
|
AR-YCP31 – модель клапана.
25F – диаметр условного прохода в мм.
1 – размер резьбы в дюймах.
X – присоединение: F – фланцевое.
Y – материал корпуса: S – нержавеющая сталь.
Z – материал уплотнения: P – PTFE.
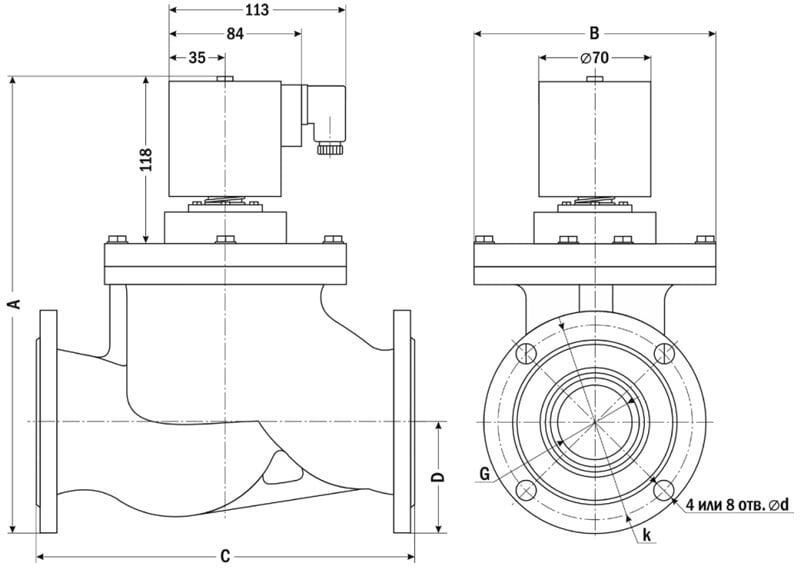
| Габаритные размеры (Ду=25...50 мм)
|
|
| Размер, мм
| AR-YCP31-25F
| AR-YCP31-32F
| AR-YCP31-40F
| AR-YCP31-50F
|
| A
| 185
| 190
| 210
| 220
|
| ∅B
| 113
| 133
| 140
| 158
|
| C
| 127
| 158
| 160
| 190
|
| G
| F1" | F1¼" | F1½" | F2" |
| ∅ d
| 14
| 18
| 18
| 18
|
| k
| 87
| 100
| 110
| 125
|
| Габаритные размеры (Ду=65...150 мм)
|
|
| Размер, мм
| AR-YCP31-65F
| AR-YCP31-80F
| AR-YCP31-100F
| AR-YCP31-125F | AR-YCP31-150F
|
| A
| 342
| 357
| 392
| 422
| 543
|
| ∅B
| 177
| 226
| 248
| 264
| 285
|
| C
| 280
| 297
| 340
| 390
| 480
|
| D
| 92
| 99
| 110
| 123
| 143
|
| G
| F2½" | F3" | F4" | F5" | F6" |
| d
| 18
| 18
| 18
| 18
| 21
|
| k
| 146
| 162
| 180
| 212
| 240
|
| Кол-во отверстий
| 4
| 8
| 8
| 8
| 8
|
Версия: 2025-10-29-СДГ
| Документ | Дата обновления |
| Паспорт на YCP31F_2 (Ду=65...150 мм) | 07.03.2025 |
| Паспорт на YCP31F (Ду=25...50 мм) | 07.03.2025 |