AR-2W21F
Доступен для скачивания
краткий каталог продукции:
Клапан соленоидный нормально закрытый фланцевый прямого действия с диафрагмой AR-2W21F предназначен для управления потоком рабочей среды в трубопроводе
Особенности:
Модификации:
Версия: 2025-10-29-СДГ
Особенности:
- Срабатывание при нулевом давлении
- Высокая частота срабатывания
- В случае необходимости замены диафрагмы (износ, смена температурных условий и пр.) выберите новую диафрагму, ориентируясь на ду клапана
Для защиты клапана от попадания инородных частиц необходима установка фильтра механической очистки перед входным отверстием соленоидного клапана
Принцип действия и область применения:
Технические характеристики:
Нормально закрытый соленоидный клапан – это магнитный клапан, в котором закрытое положение сохраняется, если управляющее напряжение на его индукционную катушку не подается. При подаче напряжения на катушку нормально закрытый клапан открывается и пропускает через себя поток рабочей среды. При отключении управляющего напряжения этот клапан автоматически закрывается и перекрывает поток рабочей среды в трубопроводе. При обрыве провода управляющего напряжения клапан будет закрыт.
В большинстве случаев подходит для эксплуатации в системах водоснабжения, теплоснабжения, вентиляции и пневмоуправления. Особенно актуально применение данного типа клапана, когда клапан должен быть закрыт большую часть времени либо когда он обязательно должен быть закрыт при отключении электропитания системы.
В большинстве случаев подходит для эксплуатации в системах водоснабжения, теплоснабжения, вентиляции и пневмоуправления. Особенно актуально применение данного типа клапана, когда клапан должен быть закрыт большую часть времени либо когда он обязательно должен быть закрыт при отключении электропитания системы.
| Параметр
| Значение
| |
| Рабочая среда | Вода, горячая вода, воздух, инертные газы, масла, спирт | |
| Материал | Корпуса | Нержавеющая сталь
|
| Уплотнения | VITON или EPDM | |
| Температура рабочей среды | −10…+120°С
| |
| Рабочее давление | 0...1,3 МПа (для воздуха и инертных газов), 0...1,0 МПа (для остальных сред) | |
| Диаметр условного прохода | 25...50 мм | |
| Присоединение | Фланцевое F1"...F2" | |
| Питание | ~220 В, ~110 В, ~24 В
=110 В, =24 В, =12 В | |
|
Ду
| Катушка
| Мощность
| AC
| DC
| ||||
| ~220 В
| ~110 В
| ~24 В
| =110 В
| =24 В
| =12 В
| |||
| 25
| S51H
IP65 | 40 ВА
| V
| V
| V
|
|
|
|
| 30 Вт
|
|
|
| V
| V
| V
| ||
| ASEx282*
IP65 | 24 ВА
| V
| V
| V
|
|
|
| |
| 17 Вт
|
|
|
|
| V
| V
| ||
| ASEx1320*
IP65 | 28 ВА
| V
|
|
|
|
|
| |
| 20 Вт
|
|
|
|
| V
| V
| ||
| 32...50
| SD11H
IP65 | 44 ВА
| V |
|
|
|
|
|
| 33 Вт
|
|
|
|
| V |
| ||
| SD01H
IP65 | 35 ВА
| V | V | V |
|
|
| |
| 30 Вт
|
|
|
|
| V | V | ||
| ASEx545*
IP65 | 50 ВА | V | V | V | ||||
| 18 Вт | V | |||||||
| 23 Вт | V | |||||||
* Использование взрывозащищенных катушек ASEx282, ASEx1320 и ASEx545 может привести к уменьшению верхнего предела рабочего давления клапана.
| Модель | Ду, мм | Kv, м³/ч
| Присоединение | Pmin, МПа | Pmax, МПа | Катушка | Вес, г
|
| AR-2W21-25F-1-FSZ | 25
| 10
| F1" | 0
| 0...1,3 МПа (для воздуха и инертных газов), 0...1,0 МПа (для остальных сред) | S51H,
ASEx282, ASEx1320 | 3000
|
| AR-2W21-32F-1.1/4-FSZ
| 32
| 20
| F1¼" | SD01H, ASEx545
| 4850
| ||
| AR-2W21-40F-1.1/2-FSZ | 40
| 25
| F1½" | 5650
| |||
| AR-2W21-50F-2-FSZ
| 50
| 41
| F2"
| 7850
|
Расшифровка обозначения на примере клапана AR-2W21-25F-1-FSZ:
AR-2W21 – модель клапана.
25F – диаметр условного отверстия в мм.
1 – размер резьбы в дюймах.
X – присоединение: F – фланцевое.
Y – материал корпуса: S – нержавеющая сталь.
Z – материал уплотнения: V – VITON, E – EPDM.
AR-2W21 – модель клапана.
25F – диаметр условного отверстия в мм.
1 – размер резьбы в дюймах.
X – присоединение: F – фланцевое.
Y – материал корпуса: S – нержавеющая сталь.
Z – материал уплотнения: V – VITON, E – EPDM.
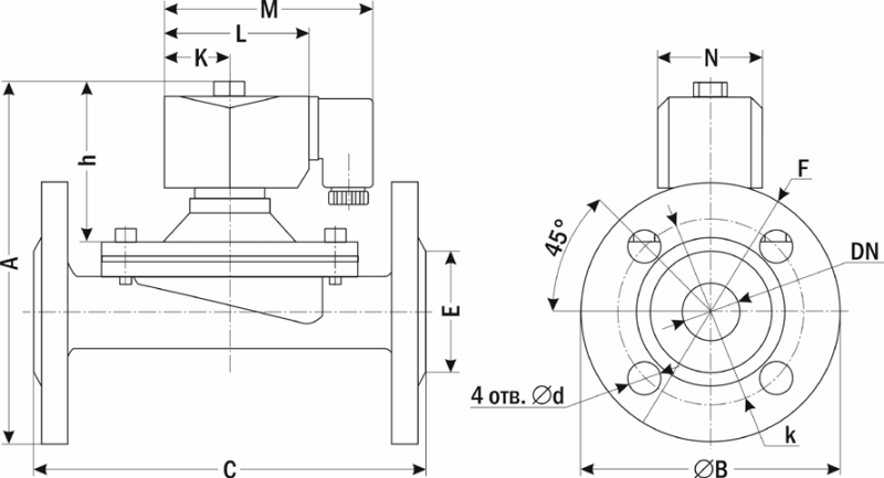
| Габаритные размеры
|
|
| Размер, мм
| AR-2W21-25F
| AR-2W21-32F
| AR-2W21-40F
| AR-2W21-50F
|
| DN
| 25
| 32
| 40
| 50
|
| A
| 145 | 184 | 205 | 220 |
| ∅B | 105 | 132 | 143 | 160 |
| C | 136 | 144 | 155 | 185 |
| ∅d
| 14
| 18
| 18
| 18
|
| E
| 62
| 70
| 82
| 98 |
| F
| F1"
| F1¼"
| F1½"
| F2"
|
| h | 65 | 90 | 90 | 95 |
| k | 84 | 102 | 110 | 125 |
| K
| 28
| 33
| 33
| 33
|
| L
| 62
| 74
| 74
| 74
|
| M
| 90
| 102
| 102
| 120
|
| N
| 46
| 56
| 56
| 56
|
Версия: 2025-10-29-СДГ
| Документ | Дата обновления |
| Паспорт на 2W21F | 26.04.2023 |